Karakteristika
-
Korniza dhe blloqe titulli
Mbështet shumë standarde të zakonshme dhe personalizime. Kornizat mund të ndryshohen shpejt dhe shkallët e dimenzionit do të përditësohen automatikisht.
-
Balonat dhe përbërësit
Balonat mund të krijohen me një klikim dhe të lidhen me përbërësit. Pas krijimit të balonave, përbërësit do të gjenerohen automatikisht.
-
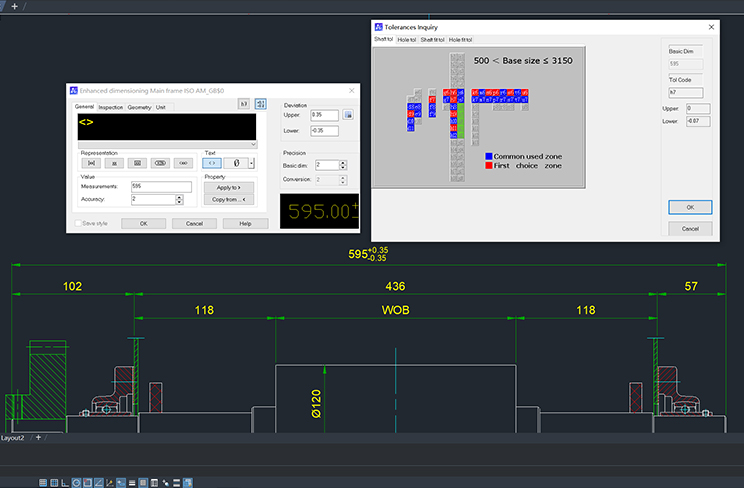
Dimensionimi i fuqisë
Identifikoni në mënyrë inteligjente objektet dhe gjeneroni përmasa përkatëse si gjatësi, diametra dhe kënde. Nuk ka nevojë të ndryshoni shpesh komandat.
-
Simbol Anotacioni
>Krijoni lehtësisht simbole si tekstura e sipërfaqes, toleranca gjeometrike dhe simbole të saldimit. Mbështet redaktimin direkt me klikim të dyfishtë dhe ruajtjen e parametrave si shabllon.
-
Dimenzionimi i skajeve
>Zgjidhni mes stileve të ndryshme të dimenzionimit për fleksibilitet në dizajnin tuaj. Gjeneroni shpejt dimenzionet duke zgjedhur linjat e skajeve.
-
Diagrame për vrima
>Identifikoni shpejt koordinatat dhe përmasat e vrimave të zgjedhura dhe gjeneroni diagrame për vrima të përshtatura për nevojat tuaja specifike.
-
Mjetet për vizatim
>Rritni efikasitetin e vizatimit me më shumë se 40 mjete për vizatim, duke përfshirë Linjë të Zgjuar, Linjë Qendre, Linjë Pasqyre, Hatch dhe më shumë.
-
Mjetet për ndërtim
>Shpejtoni rrjedhën tuaj të punës me më shumë se 20 mjete për ndërtim, duke përfshirë Kurba Formula, Fillet, Chamfer, Recesion të Ndërtimit, Radhitje Vrima dhe shumë të tjera.
-
Shikim i Detajuar
Krijoni shikime të zmadhuara të pjesëve të caktuara të pjesëve me një klikim. Shikimet e detajeve do të përditësohen automatikisht kur pjesët ndryshojnë.
-
Super kartica
Ofron shabllone të zakonshme të karticave dhe mbështet personalizimin, në mënyrë që të mund të krijoni lehtësisht tabela dhe të gjeneroni tabelat përmbledhëse dhe kartat e procesit që ju nevojiten.
-
Bibliotekë e pjesëve standarde
Mbështet më shumë se 10 standarde kombëtare dhe ndërkombëtare me më shumë se 400,000 pjesë standarde. Ju mund të gjeneroni lehtësisht shikime pjesësh duke zgjedhur parametra.
-
Super bibliotekë simbolesh
Ofron shumë simbole të zakonshme mekanike, duke përfshirë simbolet e lëvizjes, simbolet hidraulike pneumatikë, simbolet elektrike dhe simbolet e pjesëve të strukturës metalike.
